ECHO CS 660EVL CHAINSAW BOTTOM SUPPORT PLATE BOX 96 eBay View larger
  • Echo 660evl price top
  • Echo 660EVL Gas Tank w Cap Line Kioritz John Deere 65SV 650EVL
  • Echo 660evl price top
  • Echo Shindaiwa DEL 15072017062556 CS 660EVL Handles
  • PISTON KIT 47MM FITS ECHO CS 650EVL CS 660EVL PART 10001014330 10000014330

Echo 660evl price top

Echo 660evl price top, ECHO CS 660EVL CHAINSAW BOTTOM SUPPORT PLATE BOX 96 eBay top

$94.00

SAVE 50% OFF

$47.00

- +

Add to wishlist


Frasers Plus

$0 today, followed by 3 monthly payments of $15.67, interest free. Read More


Echo 660evl price top

ECHO CS 660EVL CHAINSAW BOTTOM SUPPORT PLATE BOX 96 eBay

ECHO CHAINSAW 440 CS 510 CS 550EVL 610 650 660 650EVL 660EVL DOG

Echo 660EVL Gas Tank w Cap Line Kioritz John Deere 65SV 650EVL

Echo 440EVL Chainsaw AllSurplus

Echo Shindaiwa DEL 15072017062556 CS 660EVL Handles

PISTON KIT 47MM FITS ECHO CS 650EVL CS 660EVL PART 10001014330 10000014330

Description

Product Name: Echo 660evl price top
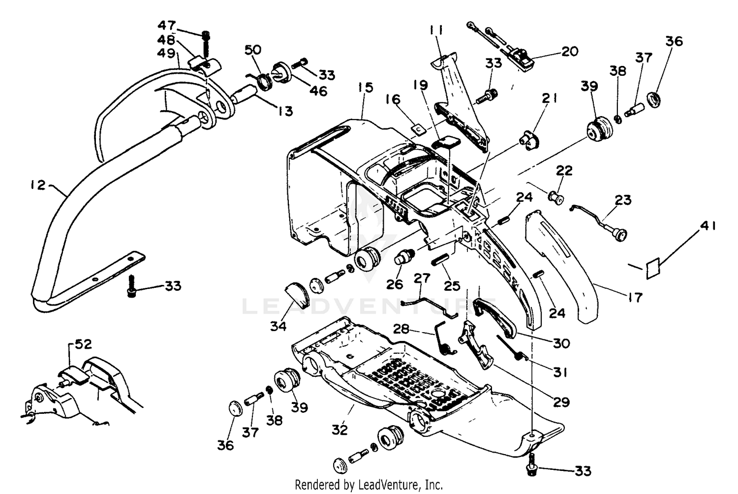
Echo CS 660EVL Chainsaw Collectors top, Echo CS 660EVL Chainsaw Collectors top, Echo CS 660EVL Chainsaw Collectors top, Echo 660 EVL chainsaw Chainsaws Gawler Tasmania Australia top, Hell of an echo in here Page 8 Chainsaws Arbtalk The top, Echo M660EVL Chainsaw Auction 0021 7038524 Grays Australia top, Kioritz Echo 660 EVL chainsaw vs english bulldog top, ECHO Kioritz CS 660EVL CS 660EVLP Gasoline Chain Saw Owners Manual Chainsaw top, Echo CS 660EVL Chainsaw Collectors top, Echo 660 EVL chainsaw Chainsaws Gawler Tasmania Australia top, Echo CS 660EVL Chainsaw VERY Nice YouTube top, ECHO CS 660EVL CHAINSAW BOTTOM SUPPORT PLATE BOX 96 eBay top, Echo Chainsaw CS 660 EVL Oil Pump eBay top, Echo CS 660EVL Chain Saw Spark Plug Replacement top, ECHO CS 660EVL CHAINSAW BOTTOM SUPPORT PLATE BOX 96 eBay top, ECHO CHAINSAW 440 CS 510 CS 550EVL 610 650 660 650EVL 660EVL DOG top, Echo 660EVL Gas Tank w Cap Line Kioritz John Deere 65SV 650EVL top, Echo 440EVL Chainsaw AllSurplus top, Echo Shindaiwa DEL 15072017062556 CS 660EVL Handles top, PISTON KIT 47MM FITS ECHO CS 650EVL CS 660EVL PART 10001014330 10000014330 top, Echo CS 660EVL Parts Diagrams top, Echo 660EVL Gas Tank w Cap Line Kioritz John Deere 65SV 650EVL top, ECHO Chainsaw CS 420ES Product Knowledge English YouTube top, Echo top, Echo CS 660EVL Parts Diagram for Clutch Cutting Attachment top, CATENA MOTOSEGA OREGON ECHO CS 706 CS 650EVL CS top, Vibration Dampener For ECHO CS 650 EVL CS 660 EVL Chainsaw BazarG top, Chainsaws Auction Results MarketBook Canada top, Echo CS 660EVL Chainsaw Lead 15063014330 eBay top, Echo 660EVL Gas Tank w Cap Line Kioritz John Deere 65SV 650EVL top, Echo CS 650evl Chainsaw Collectors top, Bar chain tensioner assembly Echo CS 660EVL 440EVL 500 chainsaw 56 004 top, Echo CS 660EVL Parts Diagrams top, Echo M660EVL Chainsaw Auction 0021 7038524 Grays Australia top, Echo CS 660EVL Chainsaw Collectors top.

Echo 660evl price top